![]() |
![]() |
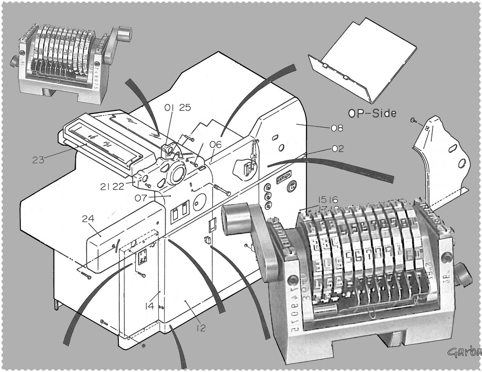
| Despiece numerador Hamada |
![]() |
| Offset Hamada C48 - C248 |
![]() |
| Manual despiece de piezas |
![]() |
| HAMADA_234 Catalogo piezas y planos eléctricos |
![]() |
| KOMPAC HAMADA 234 y 234A |
![]() |
| Regular velocidad |
![]() |
![]() |
| Multilith Offset 1250 |
Si tu tienes manuales en PDF o JPG
para compartir,
ponte en contacto conmigo
entre todos podemos mejorar este blog












Buenas, amigo si pudieras mandarme los manuales tecnicos de la GTO 52 y la Hamada estaria eternamente agradecido. Saludos.
ResponderEliminarBuenas tardes, los manuales los tienes en los respectivos enlaces, arriba a la izquierda.
EliminarGracias, he descargado el manual de la MULTILITH 1250.
ResponderEliminarMe alegro que se de vuestra gran ayuda
EliminarBuenos Dias Ing Jose Angel.
ResponderEliminarIng me gustaria saber si es posible conseguir el manual de la impresora Hamada H234c.
Muchas Gracias.
Saludos.
Hola Unknown, solamente tengo los manuales correspondientes a la Hamada 700 y 800 CD, ya lo siento no poder ofrecer.
EliminarHola, buenas tardes Ing. Garbayo. Una consulta, ¿tendrá de pronto el manual de la máquina Hamada 700 DX, Stare 3 estrellas, Japonesa?, o ¿alguna recomendación para hallar sobre ese modelo o uno similar?. De antemano le agradezco por tan buen blog. Saludos cordiales.
EliminarBuenas tardes Luina8, en esta misma página, la primera fotografía corresponde con la máquina que estás buscando, cambia muy poco a la DX, pero el funcionamiento es el mismo.
EliminarGenial, le agradezco mucho Ing. Garbayo. De pronto usted me pueda guiar a mi siguiente pregunta ¿donde puedo revisar información de los diferentes productos que puede hacer la máquina HamadaStare 700DX offset?, para en la actualidad saber hacia donde orientar el uso de ella. Muchas gracias nuevamente por su gentil atención.
EliminarLo primero que tienes que tener en tus manos es el Manual de problemas y soluciones de las Artes Graficas, que lo encontrarás en la pestaña PROBLEMAS OFFSET, aquí encontrarás todas las soluciones de tu máquina, con este otro manual Problemas entintado offset.
EliminarTambién en la pestaña PROYECTOS, tienes un par de explicaciones muy buenas Manual básico de Artes Gráficas y Tecnología de los sistemas de impresión.
hola, tendrias el manual de hamada B52 sf ? muchas gracias
ResponderEliminarYa lo siento no tener lo que buscas, tendrás que ponerte en contacto con la fábrica.
EliminarMuchas gracias por el manual de hamada
ResponderEliminarEspero que haya sido de gran ayuda
Eliminargracias me servira de mucho
ResponderEliminarHola amigos tendrá alguien el manual de la Hamada 880 DX, que me lo puedan compartir por favor. Estamos con varios problemitas por resolver. Mil gracias de antemano. Bendiciones.
ResponderEliminarSolo tengo los manuales de la Hamada 800, pero te puedo decir que el funcionamiento y la impresión, son muy parecidos.
EliminarHola alguno saben resorte para pliego de tiene papel donde va enganchado
ResponderEliminarCon un pequeño trozo de caucho mantilla, te puede solucionar el problema de las pinzas
EliminarHola amigo, necesito el manual de Hamada 500, y saber alzas para la manta?
ResponderEliminarTe pueden servir los manuales Hamada 700 y 800, las maquinas son muy parecidas
EliminarEliminar
quien tiene manuales abdick??
ResponderEliminarEn este blog no tengo
EliminarMuy útil resulto la consulta. les agradezco por su atencion.
ResponderEliminarGracias
EliminarAgradecemos a todos los colegas que compartan sus experiencias e información técnica de HAMADA
ResponderEliminarMe parece que es una buena idea
EliminarPor favor me puede ayudar con las medidas de los rodillos de caucho de la multilith 1250. Gracias
ResponderEliminarYa lo siento no tener las medidas de esta maquina, pero son muy parecidas a la Hamada, lo puecdes comprobar en el Manual despiece de piezas en la pagina 84
Eliminar¿Algún modelo de Hamada es el registro con pinzas oscilante? / imprentasantamaria@yahoo.com.ar (Solo leo Castellano. Soy de Argentina)
ResponderEliminarTodas las máquinas tienen registro de pinzas oscilantes y lateral
EliminarHola, tendras el manual de operacion de la HAMADA C 252 E? Y como te comparto el manual de piezas de esta misma maquina por si a alguien le sirve?
ResponderEliminarTe puedo decir que el manual de operación de todas las máquinas, son todas muy parecidas, pero la HAMADA C 252, no la tengo en el Blog.
EliminarPuedes buscar en esta dirección, a ver si encuentras algo https://www.printersrepairparts.com/product_line.php?pline=HAMADA
También puedes buscar en sitios web que ofrecen manuales en español, de instrucciones y guías de usuario en español para diversos dispositivos, MANUALES DE TODO: proporciona manuales gratuitos en formato PDF para diversas máquinas y dispositivos.
Si quieres compartir el manual de piezas, envía un PDF a este E-mail: manualesdeimpresion@gmail.com